Sanghi Oxygen

Sanghi Oxygen Plant

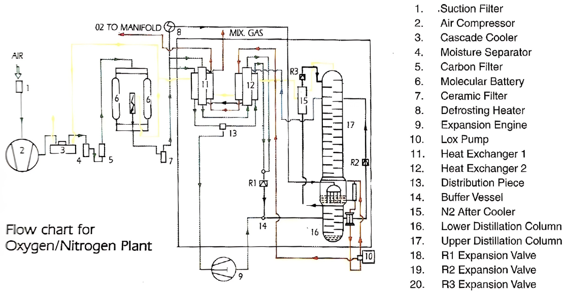
Process Description :

The free atmospheric air is sucked in by a multi-stage air compressor through a filter and compressed to the working pressure. The compressed air then passes through the cascade cooler and then to the molecular sieve battery where the moisture and carbon dioxide are removed from the process air. It then passes through exchanger No.1 where it is cooled by the outgoing waste nitrogen and product oxygen. Apart from this cold air then flows through an expansion machine and the balance through the 2nd heat exchanger. An expansion valve, R1 Both these streams of air then unite in the lower pressure column where it partially liquefies, controls the ratio of the two air streams. The liquid air (rich air) then passes through the expansion valve R2 to the upper column, which is at a lower pressure than the lower column. Similarly, the liquid nitrogen (poor liquid) travels from the lower column to the upper column through an expansion valve R3 where the separation of oxygen and nitrogen occurs. Nitrogen is more volatile passes out as a gas from the top of the column and this waste nitrogen flows through both the heat exchangers cooling the incoming air. Similarly, product oxygen is also passed through the two heat exchangers to coll the in-coming air and then to the filling manifold via a liquid pump. If a small amount of air is vented out from the upper column, higher purity nitrogen can also b obtained from this plant. R4 Valve is provided in order to fasten cooling during start-up.

Salient features of Oxygen / Nitrogen plants :

  • Leak Proof argon welded column
  • Column available in Copper/Stainless Steel
  • Very compact & sturdy oxygen and nitrogen plants
  • Low working pressure Oxygen gas Plants
  • Very low maintenance for producing oxygen gas
  • Raw material -Free Atmosphere Air for producing Oxygen/Nitrogen gas/liquid
  • Built-in Liquid Oxygen / Nitrogen pump with an internal gas vaporizer for filling of bone dry and high purity Oxygen/Nitrogen gas in cylinders
  • Hydraulic type Expansion Engine for Oxygen/Nitrogen plants
  • Highly efficient Heat-exchanger for recovery of waste cold energy to reduce operating cost
  • The oxygen plant is supplied complete as per the standard scope of supply

Sanghi Oxygen Plant

Safe and economical, the sanghi Oxygen Plant, with an efficient Expansion Engine, lowers operating pressures to a remarkable 30 kg/cm2, cuts power consumption, and adds to safety.

sanghi Plants are supplied with a very efficient reciprocating four-stage Air Compressor, which consumes low power. Sanghi Plants are supplied with a specially designed highly efficient Cascade Cooler, which eliminates the need for chilling unit and saves on recurring maintenance and power cost.

A Molecular Sieve Battery brier unit for separation of moisture and carbon dioxide is another money-saving device in the SANGHI plant. It removes acetylene and other hydrocarbons from the process air, thus eliminating the need for separate acetylene absorbs, and moreover it eliminates recurring caustic soda costs.

Capable of simultaneously producing oxygen and High purity nitrogen, the SANGHI plant has an internal compression Liquid Oxygen Pump to fill dry gaseous oxygen in cylinders. The plant can also be fitted with a separate liquid Nitrogen pump to fill dry Nitrogen directly into cylinders. Plants to produce liquid Oxygen/ Nitrogen can also be offered. We also undertake supervision of installation and commissioning of the plant.

Air Compressor

Air Compressor – Type – Reciprocating, Horizontal, Balance opposed, water-jacketed, 3 / 4 / 5 stages, depending upon operation cycle. The air compressor is complete with interstage coolers, separators, motor starter.



Skid Mounted Air Compressor

SKID Mounted Air Compressor can be offered on request.



Molecular Sieve Battery

This is a battery of two vessels filled with Molecular Sieve type 13-X to absorb Carbon Dioxide and Moisture from process air. One vessel will be online and the other will be regenerated by Dry Nitrogen. Regeneration Heater also provided.



Expansion Engine

Expansion Engine is a vertical reciprocating machine which can expand air adiabatically from operating air pressure to 5Kg/cm2 o produce the required cold for the Oxygen / Nitrogen plant. It greatly helps to reduce power consumption.



Air Sepration Unit/Cold Box

Air Separation Unit/Cold Box consists of Distillation Column with Heat Exchangers for heat transfer between the incoming air and the outgoing cold Nitrogen and Oxygen. It is equipped with Expansion valves for controlling the operation of the plant. The Control panel for the cold box is provided with the plant. Defrost heater for the thawing plant is also provided on the cold box. It is also equipped with a liquid oxygen pump which is single cylinder equipment and delivers Bone-dry Oxygen up to pressure 165Kg/Cm2. The cold box is insulated with perlite for minimizing cold losses and reducing power consumption.



Oxygen / Nitrogen Liquid Pump

The liquid Pump is a horizontal reciprocating pump. It can pump cryogenic liquids such as Liquid Oxygen, Nitrogen, and Argon up to 165Kgm/Cm2 pressure normally and 250 Kgm / Cm2 pressure in special cases. the pumps are simple and require the least maintenance.











Sanghi Oxygen Plant

Sanghi Oxygen Plant



Plant Specifications

Production Capacity - The plant is very versatile and can be set to produce varying combinations of Oxygen & Nitrogen in gaseous and liquid form

Sr.No. Plant Model Gas Quantity Gas Purity Oxygen/Nitrogen Product Pr.
1 SANGHI OXX-50 50 cum/Hr 99.6% 150/200 Kg/Cm2
2 SANGHI OXX 80 80 cu.m./Hr. 99.6% 150/200 Kgs/cm2
3 SANGHI OXX 110 110 cu.m./Hr. 99.6% 150/200 Kgs/cm2
4 SANGHI OXX 150 150 cu.m./Hr. 99.6% 150/200 Kgs/cm2
5 SANGHI OXX 170 170 cu.m./Hr. 99.6% 150/200 Kgs/cm2
6 SANGHI OXX 200 200 cu.m./Hr. 99.6% 150/200 Kgs/cm2
7 SANGHI OXX 250 250 cu.m./Hr. 99.6% 150/200 Kgs/cm2
8 SANGHI OXX 300 300 cu.m./Hr. 99.6% 150/200 Kgs/cm2
9 SANGHI OXX 400 400 cu.m./Hr. 99.6% 150/200 Kgs/cm2
10 SANGHI OXX 500 500 cu.m./Hr. 99.6% 150/200 Kgs/cm2
11 SANGHI OXX 600 600 cu.m./Hr. 99.6% 150/200 Kgs/cm2

We also offer "SKID MOUNTED OXYGEN PLANTS" & "HIGH PURITY NITROGEN PLANTS".

Sanghi Acetylene Plant

Special Features of Sanghi Acetylene Gas Plant

  • No bulky gas holder required.
  • Automatic controls for feeding water. Maintaining temperatures, pressures, and slurry drain are foolproof, efficient, and are of international standard.
  • Excellent absorption of gas in cylinders.
  • No gas loss and high yield.
  • Very simple and safe to operate.
  • Low power consumption.
  • Low maintenance cost.
  • Manufactured as per Designs & Drawings Approved by the Cheif Controllers of explosives, Govt of India

Sanghi Acetylene Plant

Process Description Of Sanghi Acetylene Generator

The SANGHI Acetylene Generator is of an advanced design, incorporating several features not ordinarily found in other generators. The SANGHI Acetylene generator is a fully automatic plant. Pneumatically controlled valves and highly sensitive sensors, integral with the temperature control instruments, perform all operations. These in turn open the water inlet valve or residue drain valve etc. Two hydraulic pumps help to open and close the supply of calcium carbide, which is fed into the generator by screw feed conveyors. The screw feed mechanism and the agitators are operated by flameproof motors and fittings. The entire operation is perfectly synchronized to give maximum efficiency and simplicity in operation. Any failure, whether it is of power supply, water or air is signaled visually and also audibly when an alarm bell rings to alert the operator.

Only flame-proof lights & electrical fittings according to IS 214868 (group II) or BSS- 229 may be used in an acetylene plant building. Acetylene cylinder must be of specification IS: 7312:1974 or ICC: 8.

No Loss - Carbide charge

No gas is lost or wasted while charging the carbide because that section is completely sealed off from the generator by a high-pressure hydraulically operated valve. All the above controls are automatic and require no attention from the operator. There a further safety device, in terms of an alarm bell, which will ring continuously till the fault is corrected.

Temperature Control

The Sanghi Acetylene Generator can be set to operate at any given temperature, regardless of the size of carbide used or the temperature of the cooling water. A Sensitive sensor actuates a pneumatic control that adds water into the generator tank when the temperature exceeds the set limit, thus maintaining a given standard temperature. This helps in the complete utilization of carbide, which is a very expensive raw material.

High-Pressure Control

If all the gas generated cannot be drawn in by the compressor and passed on to the filling manifold, either due to the low capacity of the compressor or fast generations, gas pressure will gradually build in the generator. When the gas pressure reaches a predetermined level (about 0.5 kg /cm2) carbide charging will be cut off automatically and further generation of gas is stopped.

There is no expensive gasholder with the SANGHI Acetylene Generator. This item alone will reduce the investment in such a plant. Further, as the gas generated is always at a positive pressure, the pumping cost is also reduced. Since the generator is constantly at a positive pressure, (once the plant has been purged with Nitrogen) no air enter the system, it is this feature which makes “SANGHI” Plant inherently very safe.



Sanghi Acetylene Plant

Filling Manifold

This consists of a battery of 60/120 filling connections to connect to the gas cylinders. Non-return valves are provided in various sections of the pipeline to the filling manifold. These non- return valves are extremely important for the safe operation of the plant and should be periodically cleaned to remove rust and scales, (iron cause fire). The cylinder filling pig tails (flexible hose pipes) should also be periodically cleaned to ensure that they; do not burst during filling operation, (ift they do burst, a fire would ensure due to sudden discharge of Acetylene).



Instrument Air Compressor

A flameproof motor with a buffer tank drives the instrument air compressor.

Sanghi Purifying Mass & L K Mixture

A mixture of purifying mass & LK Mixture is used to remove impurities such as Sulphur, Phosphorus, Arsenic, Ammonia etc. in the form of hydrides such as Hydrogen sulphide, Phosphine etc. This chemical is regenerative, can be used for several applications.

Sanghi-Weighing Scale:

Dial Scale 3205 CLE/COE Capacities: -100, 200, 300, 500 & 1000 Kg. White pointer with a black indicator to give shadowless line-to-line (non-parallax) indication on 584 mm dia. Ready line. Scale mounted on four wheels enclosed in a substantial cast iron frame. Tough, dustproof, and moisture-proof housing to stand up to any conditions. This ensures no rusting and no deterioration of the mechanical components.

Sanghi Acetone Pump :

It is a geared motor pump coupled with motor by love-joy coupling. The pump has two parts mainly the suction port and the discharge port. The suction port is provided with extended pipe and foot value to reach the bottomof the acetone drum.

Technical Data

Specification 45 M3/Hr. Acetylene Plant 100 M3/Hr. Acetylene Plant
Efficiency 98% 98%
Capacity 45 M3/Hr. of Acetylene 100 M3/Hr. of Acetylene
Cylinders Filled per Batch 60 Cylinders 120 Cylinders
Carbide Size 0-80 mm 0-80 mm

Sanghi Acetylene Plant





Water Level Control

If excessive water enters the generator to cool it and the water level goes above the high-level mark, the water-level control instrument will immediately discharge the excessive water thus maintaining the water between the acceptable high and low-level marks.

Chemical Purifier

This consists of two layers of regenerative chemicals, which remove additional impurities. The purifying agent may be reactivated for re-use by the atmosphere air. For continuous operation, one extra charge of chemicals can be kept in an open wooden trolley.

Water Scrubber

The equipment is installed between the chemical purifier and the high-pressure compressor, This helps to remove carry-over chemical powder from the purifier.

Condenser

This is a tube bundle with water circulation. It helps to remove moisture and cool the Acetylene gas from Generator.

LP Dryer

This is a low-pressure vessel containing Anhydrous Calcium Chloride. This absorbs moisture from the Acetylene Gas.

Acetylene Compressor

For filling of the cylinders, an L.R. makes reciprocating, oil lubricated, multi-stage, water submerged compressor with intercoolers, safety relief valve for each stage, driven by a 15 H.P. Flame Proof Motor confirming to IS:2148-68 (Gr. II.B) is provided.

High Pressure Drier

This consists of a battery of three high-pressure vessels. The first is filled with metal filler, while the second and third are filled with anhydrous calcium chloride. It is very important that the high-pressure drier is fully filled up with Calcium Chloride, as any voids in the high-pressure area are against the required safety.

Sanghi NITROUS OXIDE PLANT

Nitrous Oxide Plant Plant Requirements
Available capacities - 8, 16, and 24 u.m./hr (1 kg - 0.533 cu.m) Raw material: Ammonium nitrate
Manufactured under strict supervision of experienced personnel Electric power - 100 HP (Max.)
The nitrous oxide gas conforms to Indian pharmacopeia standards, US & European Standards Cooling water system, Good quality of water, Sufficiently ventilated plant

Sanghi NITROUS OXIDE PLANT

Introduction

Safe and economical, the Nitrous Oxide plant from SANGHI OXYGEN is a plant with an efficient Generation system that reduces power consumption and adds to safety. A storage battery assembly for the separation of Nitrogen is another safety feature with the SANGHI OXY plant. The gas manufactured conforms to Indian Pharmacopia, US & European standards and is stored in a liquid state which can be directly filled into cylinders.

Process Description

Nitrous Oxide is produced by heating Ammonium Nitrate to a temperature of 250 Deg. c. Ammonium Nitrate is decomposed in the process to give a mixture of Nitrous Oxide & superheated steam, At the same time impurities, are produced including Ammonium Nitrate fumes, Nitrogen & other oxides of Nitrogen. The steam & impurities are removed by scrubbing with water, caustic soda and sulphuric acid in sequence Nitrogen present in traces is removed by bleeding from the top of storage vessels where Nitrous Oxide is stored, after compression by a compressor.

Production

It is produced by heating Ammonium Nitrate to a temperature of approximately 250 C. Heating could be either electrically or by gas. It is then purified in a series of towers before collecting in a gas holder. Gas is then Compressed by a water-lubricated compressor, dried and liquefied. Liquid Nitrous oxide is stored in storage vessels where Nitrogen, if present, is removed. Pure liquid Nitrous oxide is then filled into cylinders by weight.

Uses

Nitrous oxide gas is mainly used for anesthetic purposes. It is administered with oxygen. It is also used as a carrier gas in laboratory Instruments. It also finds application, as a propellant in aerosols and food stuff.

Properties of NITROUS OXIDE

Nitrous Oxide is a chemical compound of Nitrogen and Oxygen. Its Chemical symbol is N,0. It is a colorless, nonflammable, and nontoxic gas with a slightly sweetish taste & odor. The most common way of distributing Nitrous oxide is as a compressed liquid in Cylinders of the same kind, as used for oxygen, Nitrogen, etc. The pressure in Nitrous oxide cylinders is approximately 50 Bars at 20°C It is a stable and comparatively un-reactive chemical compound at ordinary temperatures. At elevated temperatures, however, the gas decomposes to Nitrogen & Oxygen. It supports combustion and hence organic substances particularly old and greases which are petrochemical in nature must be kept away from the gas.

SANGHI GROUP

  • The first company of Sanghi Group was incorporated in 1963 for industrial gas production.
  • Started manufacture of Oxygen, Nitrogen & Acetylene gas plants with German collaboration in 1976.
  • Company’s Office and manufacturing facilities at Mumbai (Bombay)
  • Manufactured over 250 gas plants and sold them all over the world.
  • Oxygen /Nitrogen plants consuming lowest power.
  • Plants are capable of simultaneously producing Oxygen / Nitrogen and have an internal compression liquid Oxygen Pump to fill dry gaseous Oxygen in cylinders and a separate liquid Nitrogen pump to fill dry gaseous high purity Nitrogen in cylinders.
  • Plants exported to various countries like Jordan, Syria, Bangladesh, Egypt, Sri Lanka, Singapore, Malaysia, Kenya, U.A.E, Sudan, Iran, Oman, Yemen, Eritrea, Saudi Arabia, Myanmar, Ghana, Ivory Coast, Afghanistan, Mauritius, Nigeria, Vietnam, Malta, Venezuela.

Associated companies

  • Sanghi Oxygen
  • Sanghi Overseas Corp.
  • Sanghi Oxygas
  • Pimpri Gases
  • Sanghi Organization Co.
  • Sanghi Gases
  • Sanghi Air Products

Our Manufacturing Division is equipped with the latest engineering equipment to manufacture plant & accessories for the Gas industry.

Clients

International Clients

  • Al Aman Gas Factory ( UAE )
  • Abyssinia Cold Rolling Mills Plc – Ethiopia
  • Boyton Industries Ltd. ( UAE )
  • Donasulu Bros., Nigeria
  • Fana Oxygen & Acetylene Factory , Eritrea
  • Flosit, Morroco
  • Grupo Pariata, -Venezuela
  • Iberia Industrialm e Commercial Ltd., Brazil
  • Jizan Indl. Gases. Saudi Arabia
  • Poly Gas Sdn, Bhd. Malaysia
  • Polidano Bros Ltd, Malta
  • Sharq Sohar Steel Rolling Mills LLC., Oman
  • Saigon Technologies, Vietnam
  • Shameel E.P Eramakaveettil Industrial & Medical Gas Factory – Saudi Arabia
  • United Arab Gas Co.LLC , UAE
  • Universal Mining & Chemicals Inds. Zambia
  • Western Casting Ltd., Ghana

Indian Clients

  • Asiatic Gases Ltd.,Mumbai
  • Balco Air Products, Kerla
  • Chawla Machines Pvt Ltd., Gujrat
  • Electrotherm India Ltd., Gujrat
  • Gangotri Iron & Steel Co. Ltd., Bihar
  • Hans Ispat Ltd., Gujrat
  • Mittal Corp. Ltd., Indore
  • Adhunik metaliks Ltd., -Orissa
  • Rimjhim Ispat Ltd., Uttar Pradesh
  • Surana Industries Ltd., Karnataka
  • Shivam Iron & Steel co.Ltd., Jharkhand
  • Shyam Ferro Alloys Ltd., West Bengal
  • Chandan Steel Ltd., Gujrat
  • Synergy Steel Ltd., Delhi
  • Vedik Ispat Ltd., Hindupur, Andhra Pradesh
  • Satyam Smelters Private Limited, West Bengal
  • Industrial Air Products., Indore

Testinomials

CONTACT SANGHI GROUP

SALES OFFICE:


C-22 TTC industrial Area, Pawne Village,
Thane Belapur Road,
Navi Mumbai-Thane, 400705

CORPORATE OFFICE:


Sanghi Oxygen(BOM) PVT.LTD, Mani Mahal,
Mathew Road, Opera House,
Mumbai-400004